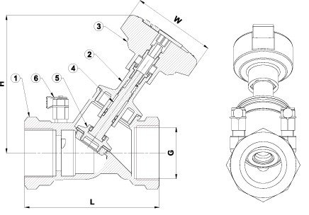
Bronz Dişli Statik Balans Vanası PN25
609,07 TL den başlayan taksitlerle!
%35
3.262,89 TL
5.019,83 TL
Statik Balans Vanası Bronz Dişli (PN 25)
Static Balancing Valve Bronze Threaded (PN 25)
Bronz Döküm / Cast Bronze
T-3010
Sıcak ve Soğuk Su Sistemlerinde Kullanılır.
Genel Özellikler / General Specifications
Çalışma Sıcaklık Aralığı / Working Temperature : -10 ... +120 °C (25 Bar)
Standartlar / Standards
Diş Standardı / Thread Standard : ISO 7-1
Testler / Tests : TS EN 12266-1
Uygulamalar / Applications
Isıtma soğutma ve diğer su sistemleri
Heating and cooling systems and other water systems

Akış regülasyon vanası, hat kapama vanası ve debi ölçüm noktası özelliklerini
mükemmel bir tasarımla bir araya getiren, yüksek hassasiyetli ve güvenli bir statik balans vanasıdır.




Bu ürüne ilk yorumu siz yapın!