Kuru Alarm Vanası
20.597,30 TL den başlayan taksitlerle!
%35
110.342,70 TL
169.758,00 TL
Y-4015 Kuru Alarm Vanası
300 PSI Max. Çalışma Basıncı - Flanş Bağlantılı
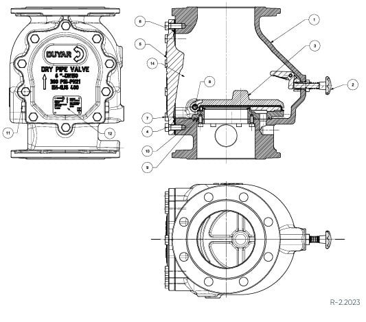
Kuru Alarm Vana Gövdesi - Basınç Anahtarı - Su Motor Gongu - Hava Tedarik Cihazı
Otomatik Damlatma Vanası - (Hızlandırıcısız)
Genel Özellikler / Specifcations
Ölçü / Dimensions: 4”- 8”/DN100 - DN200
Anma Basıncı / Nominal Pressure: 300 psi (20,6 bar)
Flanş Bağlantı Standard / Flange Connect on Standard: EN -1092-2 (PN16)
Testler / Tests: TS EN 12259-3, UL 260, FM 1021
• Tüm kuru borulu sistemler için özel olarak tasarlanmıştır.
- Designed for dry pipe sprinkler system.
• Dıştan resetlemeli.
- External Reset.
• Sadece dik kullanım için uygundur.
- Use only at vertical position.
• Yarı montajlı
- Semi-mounted
Kullanım alanları / Applications
• Depolar
- Ware Houses
• Garajlar
- Parking Garages
• Çatı Katları
- Attic Spaces
• Mağazalar
- Store Windows


Kuru borulu sprinkler sistemi,boruların ve sprinklerin donma sıcaklığına maruz kalabileceği yerler, örneğin ısıtılmayan depolar, garajlar, otoparklar,
çatı katları ve mağazalar için dizayn edilmiştir. Sprinkler tesisatında su yerine hava veya nitrojen gazı bulunur. Diferansiyel tip kuru alarm vanası özel
klapesi sayesinde düşük basınçta hava ile yüksek basınçta suyun sisteme girişini engeller.Herhangi bir yangın anında patlayan sprinkler sebebiyle
sistemdeki diferansiyel oran bozulur ve klapenin açılmasına sebep olur.Basınç anahtarı yangın ihbar sistemine veya otomasyon sistemine alarm
bilgisini ulaştırır.Basınç anahtarı tetiklendikten sonra ,su su motorlu gonga ulaşır ve mekanik alarm çalmasını sağlar.
Dry Pipe Sprinkler Systems are designed for applications where piping and sprinklers are subjected to freezing temperatures, such as unheated
warehouses, parking garages, store windows, attic spaces, or loading docks. .The sprinkler system contains gas instead of water.The dry pipe valve
with special clapper keep the pressured water by low air pressure.In case of fire, sprinkler activated and the differantial of the system is broke down
and ıt causes to open clapper.After the sprinkler activated by the fire the air in the sprinkler system is discharged from the sprinkler sysytem.The water
is sent to location of the fire.By the time clapper opens the water also is sent to pressure switch and the switch send alarm information to fire warning
system or automation system.After the switch is activated, the water is delivered to the water-motor gong and releases a mechanical alarm.






Bu ürüne ilk yorumu siz yapın!