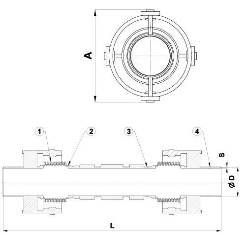
Dilatasyon Kompansatör PN 16, Kaynak Boyunlu Tip, Metal Körüklü
1.046,57 TL den başlayan taksitlerle!
%35
5.606,64 TL
8.625,60 TL
Dilatasyon Kompansatör PN 16, Kaynak Boyunlu Tip, Metal Körüklü
Dilatation Expansion Joints, With Limiting Rod (With Welding Neck, PN 16)
PN 16, Kaynak Boyunlu Tip, Metal Körüklü
T-2540 Eksenel 30 mm Yanal 100 mm
Genel Özellikler / General Specifications
Çalışma Sıcaklık Aralığı / Working Temperature :
-80 ... +420°C (16 Bar)
Genleşme Miktarı / Expansion - Compression
DN 25 - 50
T-2540 Movement Eksenel (Axial) X=30mm, Yanal(Lateral) Y= ±100mm (200)
DN 65 - 300
Standartlar / Standards
Sertifikalar / Certificates :
Tasarım / Design : TS 10880
Bağlantı Boyutları / Connection Dimensions : TS EN 1092-1 (PN 16)
Testler / Tests : TS EN 12266-1
Uygulamalar / Applications
Sıcak ve soğuk su sistemleri, basınçlı hava,kızgın su,
buhar, kızgın buhar, kızgın yağ sistemleri
Hot and cold water systems,compressed air, superheated water,
steam, superheated steam systems, superheated oil systems






Bu ürüne ilk yorumu siz yapın!