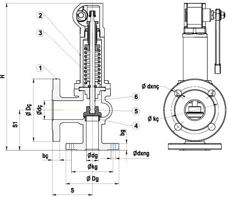
Tam Kalkışlı Emniyet Ventili (Yaylı, PN 16)
3.922,90 TL den başlayan taksitlerle!
%35
21.015,54 TL
32.331,60 TL
Tam Kalkışlı Emniyet Ventili (Yaylı, PN 16)
Full Lift Safety Valve (With Spring, PN 16)
GGG-40 Sfero Döküm / GGG-40 Ductile Iron
PN 16 Flanşlı
T-1530
Sıcak Ve Soğuk Su Sistemleri, Kızgın Su, Buhar ve Kızgın Buhar,
Basınçlı Hava Ve Deniz Suyunda Kullanıma Uygundur.
Genel Özellikler / General Specifications
Çalışma Sıcaklık Aralığı / Working Temperature : -10 ... +120 °C (16 Bar),
200 °C (13 Bar), 250 °C (11 Bar), 300 °C (10 Bar)
Standartlar / Standards
Sertifikalar / Certificates :
Tasarım / Design : TS EN ISO 4126
Flanş Boyutları / Flange Dimensions : TS EN 1092-2 (PN 16)
Alından Alına Boyutlar / Face to Face Dimensions : TS EN 558 (Seri 8)
Testler / Tests : TS EN 12266-1


Uygulamalar / Applications
Doymuş buhar sistemleri
Saturated steam applications






Bu ürüne ilk yorumu siz yapın!